Card X Machine Bread E123995 KB-3151C HY1-BM01-...
Ariete Electronic Board PCB E123995 Stand Mixer...
Плата питания KB-3151C E123995 для кофеварки In...
SP11930 KB-3151C Плата управления планетарного ...
Плата KB-3151C 94V-0 блок питания, цена: 1140 ₴...
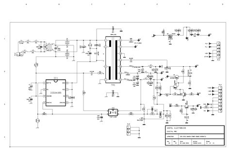
KB-3151C
Placa Control Cafetera Atma Modelo Placa Kb-315...
Chasis KB-3151C PDF | PDF
Power Board KB-3151C Simeo HB 9356 Price - iNee...
Carte électronique KB-3151C
ZASILACZ KB-3151C CQC12001086770 WDL3362F04 NOW...
POWER SUPPLY BOARD ALIMENTATORE ER935 S REV1:0 ...
KB3151C-E123995-AY1403A041974.jpg
Env-o-gratis-100-original-KB-3151C-E123995.jpg
Płytka sterowania toster opiekacz KB-3151C - Sk...
Kb 3151c e123995 схема блок питания - Фото подб...
Carte électronique filtre micro-ondes DMD90 NF-...
Moduł KB-3151C E123995 klimatyzatora Klarstein ...
Store Home Products Feedback
eSalvage: Toaster Kenwood TTP102
E123995 схема: circuit circuit | , , … – i-Flas...
Placa Fonte Panificadora KB-3151 E123995 XB1-BM...
KB-3151C Fiches technique(PDF) - Kingboard Lami...
Kb 3151c схема блок питания: Мы помогаем людям ...
Плата питания для мясорубки Pioneer MG120 HE-60...
Coffee machine PCB Board E123995 KB-3151C | eBay
Плата управления KB 3151C E123995 для тостера R...
CARTE ALIMENTATION FR-1 KB-3151C E123995 94V-0 ...