Микросхема К555ЛН1
Мікросхема ne555
Микросхема к555лн1 описание и схема включения -...
Микросхема к555ле1 описание и схема включения -...
1.7. Моделирование схем, реализующих основные л...
NE555 характеристики микросхемы, datasheet, схе...
Микросхема К555ИД7
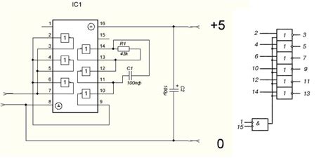
К555ЛН1 (90-97г), 6 логических элементов "НЕ" (...
Микросхема 555 - YouTube
Шесть логических элементов НЕ _ К555ЛН1