Optical to 2RCA converter + Bluetooth 5.0
Купить Конвертор напряжения ФОРПОСТ DC/DC-24/12...
Спутниковые конвертеры для антенны купить в Мос...
Схема Укв Конвертора - officialbrod
Конвертер для приема спутникового телевидения
Комплект от 2 конвертора, HDMI, черен - eMAG.bg
Комплект от 2 конвертора, Ethernet/USB, черен -...
Anleitung für Word Wiederherstellen-Textkonverter
Выбор качественного спутникового конвертора
Комплект от 2 конвертора, ATTE, Ethernet + PoE ...
Добавление поддержки конвертора ИМ2318LAN [9749...
Расчёт конвертера с топологией SEPIC
Полумостовой повышающий конвертер с питанием от...
Конвертор USB, UART, RS232, PL2303HX, 3.3V / 5V...
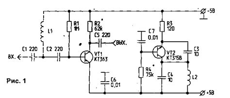
Схема коротковолнового конвертера для СВ приемника
TD8228 | Techcode Semicon | DC-DC Converters | ...
Хочу купить конвертер hdmi-gvif — Opel Insignia...
Ремонт автомобильного конвертора 24-12В | Масте...
[Text Recovery Converter] How to Fix Corrupted ...
Конверторы 520 Вт CS Series DC-DC Converter 24В...
Схема Укв Конвертора - islamupload
Eurosky UTP-5 - универсальный конвертор на 2 вы...
Гайд по выбору и использованию медиаконвертеров...
нова подобрена схема и плака за RS232 / 485 кон...
Блок питания для конвертора LANMASTER RJ45-VGA,...
RS232 / RS485 комуникация
Оптический LNB конвертор LWO102 4F31 E Terra с ...
Подключаем дисплей DWIN к ARDUINO по rs232.
Подключение спутниковых конверторов к мультисви...
Конвертор за приемане на диапазона 0-30MHz с RT...
Конверторы постоянного тока Бестрансформаторная...
Конверторный способ производства стали - Матери...