Магнитофоны измерительные Фирма
Разъемы аудио
Магнитофоны и их применение | Tape recorder, Hi...
Катушечные магнитофоны возвращаются / Хабр
Стационарные кассетные магнитофоны - Магнитофон...
Все рабочие магнитофоны - YouTube
Магнитофон
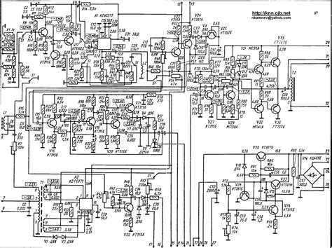
Схема магнитофона
Магнитофоны не умирают.
Распиновка разъема китайской магнитолы
Магнитофон Днепр
Ремонт магнитофона
Дифференциальный магнитометр Щедрина - Металлои...
Вопрос по схеме магнитофона - Начинающим - Фору...
Магнитная головка магнитофона - Страница 2 - На...
3 Устройство магнитофона
Магнитные кабеля разные разъемы купить по досту...
Магнитофоны | Hi-Fi.ru
Три магнитофона отечественные... в разбор - You...
Цифровой магнитофон - Shematic.net
Распиновка разъема китайской магнитолы - 80 фото
Распиновка китайской магнитолы, обозначение про...
Усилитель воспроизведения для катушечного магни...
Нужна помощь в подключении магнитофона к плате ...
Разъем для магнитолы: основа электрических соед...
Купить Ремень приводной Магнитофон магнитофоны ...
разъемы магнитолы
Магнитолы магнитофоны мп3 магнитофоны — купить ...