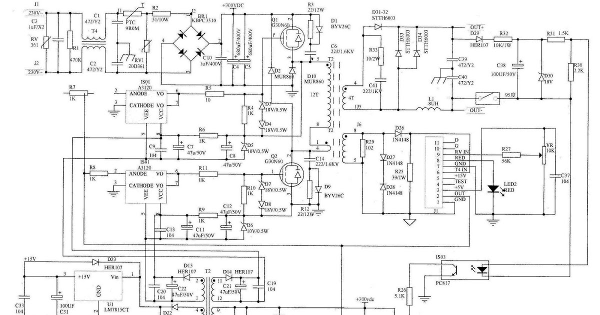
Tool Electric: Схема сварочного аппарата Ресанта САИ 250

Tool Electric: Схема сварочного аппарата Ресанта САИ 250