Ремень генератора Киа Рио 3: замена ролика, нат...
Подкапотное пространство Киа Рио 3: особенности...
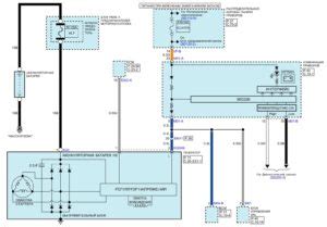
Схемы Киа Рио 3: Часть 1
Киа рио 3 распиновка генератора - 82 фото
Двигатель Киа Рио 3 (UB)
Как разобрать генератор киа рио 3
Распиновка генератора киа рио 3 пина - TDF
Щетки генератора киа рио 3 размеры - NEVINKA-IN...
Предохранители и реле Kia Rio, их назначение и ...
Замена генератора Киа Рио 3
Предохранители Киа Рио 3 и реле со схемами арти...
Киа рио 3 электросхема света
Блок предохранителей и реле Kia Rio 3
Пропала зарядка на киа рио 3 причины - 84 фото
Сброс давления в системе питания Киа Рио 3
Реле генератора киа рио 3 valeo
Предохранители Киа Рио 3 (UB/QB), 2011 - 2017
Распиновка мультируля киа рио 3 - 89 фото
Схема подключения генератора киа рио 3 - 80 фото
Техническое обслуживание Киа Рио-3
Киа рио 3 скрип задней полки - 91 фото
Нижний болт крепления генератора Киа Рио
Реле генератора киа рио 3 — купить по низкой це...