Импульсный блок питания из советского телевизор...
Купить пульт для телевизора филипс — купить по ...
Пульт От Телевизора Филипс Фото Инструкция – Te...
пульт для телевизора филипс функции кнопок — ку...
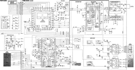
Схема блока питания телевизора филипс 32pfl3605 60
Доработка блока питания телевизора Philips - Yo...
Схема блока питания телевизора philips - 77 фото
Монитор Филипс - нет включения , рем блока пита...
Ремонт телевизора Филипс Греется микросхема вых...
Ремонт импульсного блока питания DVD Philips. |...
Схема блока питания филипс
Импульсный блок питания из кинескопного телевиз...
Как работает блок питания телевизора: принцип р...
Картинки Телевизора Филипс – Telegraph
Блок питания телевизора PHILIPS 32PFL5604/60 - ...
Телевизор Филипс Серия 3500 Инструкция - specif...
Блок питания филипс — купить по низкой цене на ...
Ремонт блока питания PHILIPS - YouTube
Блок питания для пылесоса филипс повер про — ку...
Телевизор Philips с смарт ТВ и wifi - YouTube
"Схема телевизора филипс"