TDA7379 ST Audio Amplifiers - Veswin Electronics
Tda7396 TDA7393 TDA7379 TDA7375 7391LV Imported...
1pcs Original TDA7379 chip digital power amplif...
TDA7379
Só Tudo - CIRCUITO INTEGRADO TDA7379
TDA7379 mới
5PCS TDA7379-in Replacement Parts & Accessories...
Ic TDA7379 ORIGINAL ORIGINAL (1Pcs) TDA 7379 OR...
Amazon.com: 20pcs,TDA7379 Audio Power Amplifier...
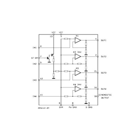
Tda7379 Circuit Diagram
TDA7379 STMicroelectronics IC, TDA7379 Datashee...
TDA7309 datasheet
TDA7379 Amplifier.
Tda7396 Tda7391 Tda7393 Tda7394 Imported Audio ...
PDF TDA7379 Components
TDA7379SAN – Scion Electronics
Audio Amplifier, Power Amplifier IC Tda7379 Int...
UNBOXING ELECTRONICS GADGETS: TDA7379 TDA7377 T...
IC TDA7379 TDA 7379 Audio Processor Audio Ampli...
Tda7379 схема включения
TDA7379_1149409.PDF Datasheet Download --- IC-O...
TDA7379 datasheet(5/7 Pages) STMICROELECTRONICS...
TDA 7379 IC TDA7379 INTEGRATED CIRCUIT
2.1 Amplifier TDA7379/ TDA7377 IC 0-12V
tda7379电路图,tda7729电路图 - 伤感说说吧
2020 - Skema Dasar Elektronika
TDA7379 datasheet(1/7 Pages) STMICROELECTRONICS...
1-adet-grup-TDA7379-7379-ZIP-15-stokta.jpg
10PCS TDA7379 Audio Amp IC TDA7379 NEW | eBay
TDA7379 ST Amplifier ICs - Jotrin Electronics